当前位置:首页 > 试卷中心> 同步测试> 苏科版八年级同步测试 > 内容详情
2020-2021学年苏科版八年级物理下册课课练:6.4密度知识的应用(应用与计算)(附答案)
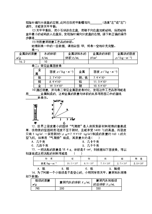
【内容简介】1.有四个容量都为500 mL的瓶子,分别装满海水、纯水、酒精和汽油,那么装的质量最多的是(ρ海水>ρ纯水>ρ酒精>ρ汽油)( )A.海水 B.纯水 C.酒精 D.汽油 2.已知冰的密度为0.9×103 kg/m3,一定体积的水凝固成冰后,其体积将 ( ) A.增加 B.减少 C.增加 D.减少 3.1 cm3的冰熔化成水后,质量为________,体积为________。(冰的密度为0.9 g/cm3) 4.苏州盘门景区的钟楼里有中国最大的一座铜制唐钟,其质量为9 t,则它的体积为____________.(ρ铜=8.9×103 kg/m3,结果保留2位小数) 5.莆田是枇杷之乡,旺季时果农常用枇杷酿制枇杷酒.某枇杷酒( 酒=0.9×103 kg/m3)包装盒上标明酒的体积为500 mL,那么,瓶中所装酒的质量是_______kg. 6.制作风筝要选用密度_______的材料,落地扇的底座则应尽可能选用密度______的材料. 7.已知空气的密度为1.29 kg/m3,一间普通教室里的空气质量与下列哪个物体最接近( )A.一个苹果 B.一名中学生C.一头牛 D.一辆家用轿车 8.电影中经常有房屋倒塌,人被埋在房屋下的镜头,由此可见作为道具的房屋的制作材料的密度很________,它的质量比相同体积的石头的质量________.(以上两空均选填“大”或“小”) 9.小明家有一枚质量为2.1g的银币,他想用量筒测算出该银币是不是纯银的(p银=10.5g/cm3),所用的量筒规格如图所示,此量筒的分度值是_______mL,他能否鉴别出该银币?_______(能/不能). 10.有一捆粗细均匀的铜线,其横截面积是2.5 mm2,质量为89 kg,已知铜的密度为8.9×103 kg/m3,则这捆铜线的长度为( )A.4 m B.40 m C.400 m D.4000 m 11.小雪同学买了一件工艺品,但不知究竟是用什么金属制成的。于是她用天平和量筒对该工艺品的密度进行了测量。(1)把托盘天平放在水平桌面上,将游码移到标尺左端“0”刻度线处,发现指针偏向分度盘的左侧,此时应该把平衡螺母向________(选填“左”或“右”)调节,才能使天平平衡。(2)天平平衡后,把小石块放在左盘,用镊子向右盘加减砝码,当把砝码盒中最小的砝码放入右盘后,发现指针偏向分度盘的右侧,接下来正确的操作步骤是__________________________。(3)利用量筒测量工艺品的体积。她得到表一中的一些数据,请结合图 甲,将表一空格补充完整。表一:金属块的质量m/g水的体积V1/mL金属块和水的体积V2/mL金属块的体积V/cm3金属块的密度ρ/(kg•m-3)16.210表二:常见金属密度表
部分内容预览



只能预览部分内容,查看全部内容需要下载哦~
同专辑或相关资料
- 2245.3 密度知识的应用--2024-2025学年沪粤版物理八年级上册全册课件
- 1372022-2023学年度沪科版八年级物理培优练习:5.4密度知识的应用(附答案)
- 7922022秋沪科版八年级全一册ppt课件:5.4 密度知识的应用
- 9052021秋沪科版物理八年级上册第5章《5.4 密度知识的应用》教案
- 1385.4 密度知识的应用—2021-2022学年沪科版八年级物理全一册课件与素材
- 886.4密度知识的应用-2020-2021学年八年级下册物理同步备课课件(苏科版)
- 1086.4 密度知识的应用(重点练)-2020-2021学年八年级物理下册十分钟同步课堂专练(苏科版)
- 836.4 密度知识的应用(基础练)-2020-2021学年八年级物理下册十分钟同步课堂专练(苏科版)
资料审核:czwlzx
下载帮助:
- 下载说明:0点券资源无需下载权限,游客可以直接下载。
- 有点券资源为本站精品课件,只提供给vip会员下载,有效期式vip会员可以在有效期内下载本站所有资源。 查看 【申请有效期vip会员方法】 。
-
- 如果您无法下载到本资料,请先参照以下说明检查:
- 1、所有资料必须是登录后才能下载。
- 2、精品资料下载需要下载权限,请确保您是本站vip会员才可下载。有效期vip会员只受有效期限制,不受点券影响,有效期内即使点券用完,仍可继续下载。
- 4、如果鼠标左键下载时直接打开word文档,无法下载保存,可以右键鼠标选择“将链接另存为”下载word文件。
- 5、如果下载的是word文档,直接可用word软件打开;如果是压缩资料包,下载后请先用winrar解压软件解压,再使用对应软件word打开。
- 6、以上步骤检查后均无法解决问题,您可以到[帮助中心]寻找答案或向网站客服人员寻求支持。


会员登录
用户评论
(欢迎您的评论,评论有奖励哟!)