专题17 欧姆定律--江苏省2018-2020年三年中考物理真题分类汇编(原卷版和解析版)
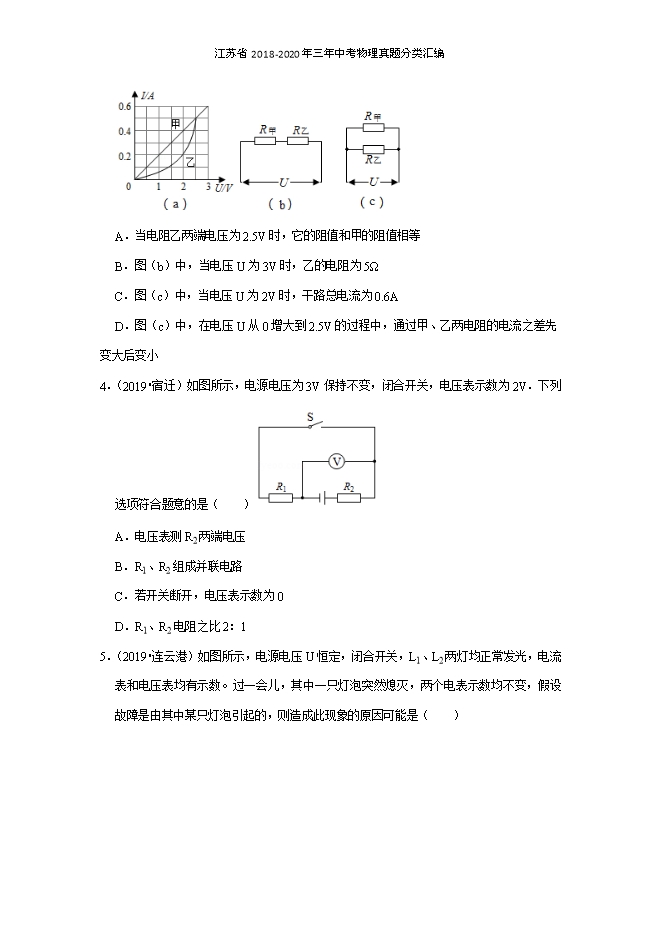
【内容简介】1.(2020•镇江)测温模拟电路如图1所示,温度表由量程为3V的电压表改装而成,电源电压U为6V,R的阻值为40Ω,热敏电阻的阻值Rt随温度t变化的关系如图2所示。则当开关S闭合后( ) A.电路可测量的最高温度为50°CB.温度表的0°C 应标在电压表零刻度处C.若增大U,电路可测量的最高温度将增大D.若U 增大3V,R 增大45Ω,电路可测量的最高温度将增大【答案】D【解析】由a图可知,R、Rt串联,电压表测Rt两端电压,A、当电压表的示数最大,即Ut=3V时,电路允许测量的温度最高,根据串联电路两端的总电压等于各分电阻两端的电压之和可得:定值电阻R两端的电压:UR=U﹣Ut=6V﹣3V=3V,则电路中的电流:I= = =0.075A,热敏电阻的阻值:Rt= = =40Ω,由图象可知,此电路允许的最高环境温度为30℃,故A错误;B、当温度表的示数为0°C时,热敏电阻Rt的阻值不为零,根据串联电路的分压作用知,热敏电阻Rt两端的电压不为零,电压表的示数 不为零,故B错误;C、若增大电源电压U,电压表的量程仍为0﹣3V,根据串联电路的分压作用知,定值电阻两端的电压增大,由欧姆定律I= 知电路的电流增大,热敏电阻的阻值Rt的阻值减小,电路可测量的最高温度减小,故C错误;D、若U 增大3V,即电源电压为3V+6V=9V,R 增大45Ω,此时电压表的量程仍为0﹣3V,根据串联电路的分压作用知,定值电阻两端的电压增大,变为9V﹣3V=6V,由欧姆定律I= 知此时电路的电流为I′= = = A,热敏电阻的阻值Rt的阻值为Rt′= = =42.5Ω,由图2知此时电路可测量的最高温度大于30℃,即电路可测量的最高温度将增大,故D正确。故选:D。2.(2019•常州)如图所示的电路中,电源电压恒定,闭合开关S,灯L1、L2都发光,一段间后,有一盏灯突然熄灭,电流表无示数,电压表有示数,电路故障可( ) A.L1短路B.L1断路C.L2短路D.L2断路【答案】D【解析】由图知,闭合开关,两灯泡并联,电流表测灯L2中电流,电压表测电源电压。A、如果灯泡L1短路,将会形成电源短路,两灯都不亮,电压表示数变为零,故A不符合题意;B、如果灯泡L1断路,L1不发光,L2支路的电流不受影响,即电流表示数不变;电压表还是测量电源电压,电压表示数不变,故B不符合题意;C、如果灯泡L2短路,整个电路短路,两灯都不亮,电压表示数变为零,故C不符合题意;D、如果灯泡L2断路,L2不发光,电流表无示数,但电压表还是测量电源电压,示数不变,故D符合题意。故选:D。3.(2019•淮安)如图(a)所示是电阻甲和乙的I﹣U图象(b)、(c)是它们的部分电路连接示意图,下列说法错误的是( ) A.当电阻乙两端电压为2.5V时,它的阻值和甲的阻值相等B.图(b)中,当电压U为3V时,乙的电阻为5ΩC.图(c)中,当电压U为2V时,干路总电流为0.6AD.图(c)中,在电压U从0增大到2.5V的过程中,通过甲、乙两电阻的电流之差先变大后变小【答案】B【解析】A.由图(a)可知,当电阻甲、乙两端电压为2.5V时,通过两者的电流均为0.5A,则由I= 的变形式R= 可知,电阻甲、乙的阻值相等,故A正确;B.图(b)中,两电阻串联,由图(a)可知,当电路中的电流I=0.2A、U甲=1V、U乙=2V时,电压U为3V,此时乙的电阻R乙= = =10Ω,故B错误;C.图(c)中,两电阻并联,由图(a)可知,当电压U=2V、I甲=0.4A、I乙=0.2A时,干路总电流为0.6A,故C正确;
部分内容预览



只能预览部分内容,查看全部内容需要下载哦~
同专辑或相关资料
- 1712025-2026学年苏科版物理九年级上册阶段素能测评卷:第11章 简单机械和功 至 第14章 欧姆定律…
- 1532025-2026学年苏科版物理九年级上册阶段素能测评卷:第14章 欧姆定律(附答案)
- 1822025-2026学年苏科版物理九年级上册同步练习:第十四章 欧姆定律 单元检测卷(附答案)
- 1542025-2026学年苏科版物理九年级上册同步练习:第十四章 欧姆定律 随堂小测(附答案)
- 1562025-2026学年苏科版物理九年级上册同步练习:第十四章 欧姆定律 小专题3 欧姆定律在实际生…
- 1522025-2026学年苏科版物理九年级上册同步练习:第十四章 欧姆定律 小专题2 “非常规”测电阻(…
- 1542025-2026学年苏科版物理九年级上册同步练习:第十四章 欧姆定律 小专题1 欧姆定律在动态电路…
- 1852025-2026学年苏科版物理九年级上册同步练习:第十四章 欧姆定律 跨学科实践(附答案)
资料审核:czwlzx
下载帮助:
- 下载说明:0点券资源无需下载权限,游客可以直接下载。
- 有点券资源为本站精品课件,只提供给vip会员下载,有效期式vip会员可以在有效期内下载本站所有资源。 查看 【申请有效期vip会员方法】 。
-
- 如果您无法下载到本资料,请先参照以下说明检查:
- 1、所有资料必须是登录后才能下载。
- 2、精品资料下载需要下载权限,请确保您是本站vip会员才可下载。有效期vip会员只受有效期限制,不受点券影响,有效期内即使点券用完,仍可继续下载。
- 4、如果鼠标左键下载时直接打开word文档,无法下载保存,可以右键鼠标选择“将链接另存为”下载word文件。
- 5、如果下载的是word文档,直接可用word软件打开;如果是压缩资料包,下载后请先用winrar解压软件解压,再使用对应软件word打开。
- 6、以上步骤检查后均无法解决问题,您可以到[帮助中心]寻找答案或向网站客服人员寻求支持。


会员登录
用户评论
(欢迎您的评论,评论有奖励哟!)